ADVANCED CONTROL

WELL SERVICE & SUPPLY

 About Well Service & Supply  

Company is located in Fabrikkveien 9, Forus in sheared location with Advanced Control AS and Atlantic Management AS.

Well Service & Supply AS is an Offshore Supplier focusing on services to the Drilling & Well Industry on Norwegian, UK and Danish continental shelf.

The company operates the business into 3 areas:

• Equipment rental to drilling and intervention operation (HPU, Mixing tanks, Pumps and hydraulic equipment)
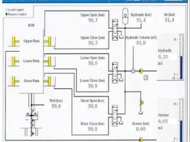
• Development, Rental and Sale of Well & Intervention Control Systems
• Supervision of drilling and well intervention operations.

Team

Torstein Øygarden
Managing Director
 +47 905 31746
 toy@wellserv.no

Ingvar Grannes
Operation Manager / Chair of th Board
 +47 469 48496
 ig@wellserv.no

Jan Øyvind Hardeland
Service Technician
  +47 922 87569
  joh@wellserv.no

Well Service Equipment

 1 ea HPU FOR ZONE II (3GP) W/ AIR COMPRESSOR - DataSheet.

10 ea Mixing / Storage tanks, 12 m3, Gross weight 32,5 mT, Tara 6,1 mT - DataSheet.

3 ea Mixing / Storage tanks, 12 m3, Gross weight 40,0 mT, Tara 7,0 mT - DataSheet.

Pumps, hoses, valves, fittings